物聯網如何除去噪聲的影響
物聯網(IOT)設備的一個關鍵特性是其在低功耗無線鏈路傳送數據的能力。需要被發送和接收的數據的敏感性質意味著措施需要采取以固定鏈路。以及使用加密通信,竊聽的風險可以通過限制網絡上的節點的發射功率,并使用編碼方案,使位難以從隨機噪聲區分被降低。
其結果是,射頻靈敏度在提高安全性,因為它允許使用低功率水平和更先進的編碼方案所采用了很大的作用。然而,對于接收靈敏度的需求放置在可以在裝置內可以容忍的噪聲級的嚴格要求。低能量的無線電接收機通常易受窄帶被集中在特定的頻率,特別是因為該協議會經常使用窄帶信道,使得避免干擾更困難的噪聲。
雖然這是可以調整的時鐘源,使得內部干擾避免產生與特定RF傳輸頻帶干擾諧波的主要原因,對靈活性的需求正在此難以在實踐中實現。空白無線電系統如失重需求,該射頻子系統是頻率捷 - 使得在次,接收器需要抗衡本地產生的干擾。其結果是,電磁干擾(EMI),在電路設計的抑制變得越來越重要。
EMI在任何電子系統的主要是電源子系統。大多數設計提供穩定的電源軌的負載(POL)點已經從使用模擬低壓差(LDO)穩壓器的移動來提供穩定的電源軌開關模式DC / DC轉換器。雖然開關型直流/直流轉換器提供高效率,最大限度提高,可以從一個單一的電池充電中回收的能量,它們的開關行為可以是噪聲的主要。的主要是用來驅動脈沖寬度PWM轉換電路的時鐘。
PWM控制方法采用的輸出電壓的一個樣本減去這從基準電壓建立了小的誤差信號。該誤差信號進行比較,以由一個振蕩器,其通常運行在一個固定的頻率驅動一個常規的斜坡信號。比較器輸出可以操作電源開關的數字輸出。當電路的輸出電壓變化時,誤差信號也改變,從而使比較器的閾值發生變化。因此,輸出脈沖寬度也改變。此占空比變化之后移動的輸出電壓,以減小誤差信號到零,這樣就完成了控制回路。
從PWM常規脈沖作為轉換器每個循環接通或斷開,這取決于斜坡信號的方向,使得在兩個線路和中性節點在輸入級的輸入噪聲。這個噪聲表現跨開關頻率的諧波,因此它可以很容易地達到成用于傳輸和接收RF范圍。以減少被耦合到下游電路的噪聲的一種方法是使用EMI濾波器。但是,這些將增加成本和重量對整個系統,其中,在小的IoT和可穿戴設備的情況下,常常是不可接受的。
一種日益流行的替代添加組件是要改變基于PWM轉換器本身。雖然脈沖需要在一個合理的定期生成,上用于平滑列于電源軌的電壓輸出端的電容裝置的能量的脈沖不需要在精確的時間被提供。相反,驅動PWM電路的時鐘信號可被調制以便與該時鐘的干擾分布在更寬的帶寬。
該技術最早是近20年前的探索作為降低EMI的一種手段,通過惠普的工程師科內利斯·胡克斯特拉在公司的技術刊物記載,主要是為了應對高次諧波的影響,這被證明更加難以盾反,哪些可以的RF信號和接收質量產生不良影響。胡克斯特拉的論文已經成為了所謂的擴頻時鐘的標準參考。
霍克斯特拉看到更大的效果與高次諧波:“的頻率偏差增加線性的絕對值與諧波數,使頻譜能量分布在一個較大的范圍內,在高次諧波,而濾波器的在其上的光譜能量被測量的寬度是固定的“。
惠普嘗試的第一個方案是基于非常簡單的方波調制。結果 - 滯后和過沖的電路意味著時鐘頻率不會簡單地兩個離散值之間轉換,但沒有從一個頻率的直接換檔。盡管該方案的簡單,它成功地傳播高峰使設備能夠通過FCC輻射測試,惠普擔心的時候。
諧波擴展的圖像

圖1:通過擴頻調制傳播諧波。
后來嘗試擴頻調制都集中在更復雜的時鐘控制技術,采用正弦波,三角波調制和隨機調制。這些技術現在已經從主系統時鐘在對噪聲敏感的應用中使用的直流/直流轉換器和其它電力系統結轉。
正弦波的頻譜的圖像

圖2:由一正弦調制器調制的正弦波的頻譜。
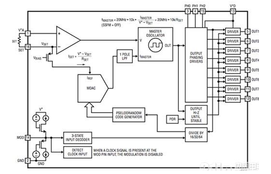
從爾特的LTC6909擴頻振蕩器的設計具有直流/直流轉換器的工作,如LTM4601以高達10分貝峰值頻率提供改進的EMI。對于需要繪制較大功率的量的系統中,LTC6909可以產生多達八個相位同步輸出來驅動多個DC / DC轉換器。相位同步確保輸出紋波,確保將每個轉換器的總體時鐘周期的不同部分期間切換最小化。
與LTC6909,當啟用擴頻模式,過濾偽隨機噪聲被用于調制主時鐘信號。該調制產生一個大致平坦頻譜,中心在設定頻率與帶寬等于約百分之二十的中心頻率的。用于選擇擴頻模式MOD引腳的狀態決定的調制速率,從FOUT / 16到FOUT / 64。振蕩器被優化為500千赫和10兆赫之間的輸出頻率。
凌力爾特LTC6909的電源調制器的框圖。

圖3:LTC6909電源調制器的框圖。
德州儀器的TPS8267x是一個完整的600毫安DC / DC降壓轉換器適用于低功耗應用,集成了擴頻頻率調制器。還包括在封裝中的開關穩壓器,電感器和輸入和輸出電容,相適應微型SIP設備到空間敏感的IoT的應用程序。
該轉換器工作在規范的5.5 MHz的開關頻率,以擴展頻譜的支持,使該器件能夠替代低噪聲線性穩壓器更好的電源轉換效率。擴頻架構由大約±10%的標稱開關頻率的變化的開關頻率,采用了三角波調制的頻率。
擴頻技術可以擴展超過直流/直流轉換器,以于需要隔離電源軌的IoT儀器。 Maxim的集成MAX13253是1,推拉,有其自身的內部振蕩器,采用單+3 V至+5.5 V電源變壓器驅動器。變壓器的次級到初級繞組比率定義了輸出電壓,允許選擇幾乎任何隔離輸出電壓與電流隔離的。
集成振蕩器驅動一對用引腳可選擴頻振蕩n溝道功率開關。進一步降低對EMI是通過使用擺率控制的獲得。
隨著物聯網的應用越來越普遍,并與RF靈敏度關注節能在一起就顯得更為重要,我們可以預期,如擴頻功率控制技術有待進一步探討。
相關文章
快速成功地連接物聯網產品的5個技巧
對于物聯網設備制造商來說,蜂窩物聯網是實現互聯網連接的最可靠和最容易獲得的方式之一。根據ABIResearch的數據,到2026年,全球蜂窩物聯網設備總數將達到57億。蜂窩物聯網的采用正在增長,因為它易于部署和擴展。您只需要一...
江西:到2023年底物聯網產業規模突破2000億元
5月19日,記者從江西省工信廳獲悉,為深入實施數字經濟做優做強“一號發展工程”,加快江西物聯網新型基礎設施建設,江西省工信廳、省委網信辦、省科技廳等9部門聯合出臺《江西省加快推進物聯網新型基礎設施建設實施方案》(以下簡稱《方案...
物聯網加速融入生活場景,智能家居設備能做什么?
智能設備和物聯網已經進入現代家庭生活的幾乎所有方面。從您的安全系統到冰箱,“智能”電器已成為新常態。但它們真的能讓你的家變得更好嗎?或者所有這些智能家電只是另一種時尚,從長遠來看,您最終會后悔花額外的錢?讓我們來看看在家里裝滿...
京東方:物聯網創新業務打開更多增長空間
從北京大興國際機場,到莫斯科城鐵列車,再到紐約商超門店,如今,物聯網創新解決方案已覆蓋全球眾多地區、涉及生活的方方面面,帶給人們全新的體驗。而這一改變的背后,正是京東方在物聯網領域取得的豐碩成果。夯實全球半導體顯示霸主地位...