面向物聯網系統的ST連接芯片組或模塊可破解射頻設計難題
Stastita[1]預測,到2025年,物聯網設備數量將超過750億,遠遠超過聯合國預測的2025年全球81億人口數量[2]。物聯網可能是科技公司的最大推動力量之一。物聯網設備最重要的特點便是聯網。
無線聯網的設備通過射頻無線電、天線和相關電路將電信號轉換為電磁波,反之亦然。設計人員有兩個選擇可實現該電路:a)使用射頻芯片組并設計相關的射頻部分;b)使用已經安裝了射頻芯片組和相關射頻部分的模塊。在本文中,我們將比較這兩種方法,并幫助設計人員做出明智決定。
使用芯片組和模塊的射頻部分
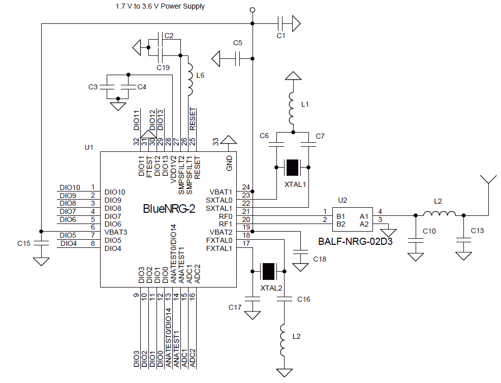
采用芯片組方式實現的射頻部分由射頻IC、天線、巴倫和濾波器、匹配網絡、晶振、以及其他無源器件組成。下面是使用意法半導體的 BlueNRG BLE SoC的參考實現原理圖。
圖1:BlueNRG-2 參考原理圖
使用模塊方法的實現要簡單得多。與圖1相同的電路也可以使用現成的模塊來實現。下面是意法半導體的BlueNRG-M2SA模塊的引腳分配和內部框圖。該模塊是利用BlueNRG-2 SoC和相關電路實現的。
圖2:BlueNRG-M2SA引腳分配和內部框圖
芯片組方法與模塊方法的比較
在選擇合適的方法時,要考慮三個主要方面:a)上市時間,b)認證,c)成本。我們將對每個方面進行回顧,以便從邏輯上理解透徹。
上市時間
使用芯片組設計射頻部分的步驟如下:
i) 設計原理圖和布板
ii) 請PCB制造商制板
iii) 焊板
iv) 微調無源器件的值,以優化性能
v) 訂購模塊的所有組件,然后生產出模塊
vi) RF測試和認證
基于芯片組設計的射頻部分幾乎要花費3 - 6個月時間。它還需要多種資源,如射頻設計師、供應鏈和多個服務合作伙伴,如PCB制造商和EMS公司。該方法適用于大批量生產,但不適用于原型制作和小批量生產。
模塊則是為快速上市而設計的。使用模塊添加連接不需要具備任何RF專業知識。無線連接比較簡單,就像一個模塊化的即插即用組件,因為設計師得到一個現成的射頻部分,模塊化的實現非常快。因此,設計人員可以非常快速地將自己的產品推向市場。這對于原型制作和小批量生產尤其重要。
認證
幾乎任何電子設備都要經過通用放射測試。此外,配有射頻部分的器件也被視為有意放射體。因此,它們需要額外的認證,以確保它們放射的功率不會超過允許值,或干擾其他設備或頻段。在這方面,沒有全球通用的認證,每個國家或地區都有己的標準。通常這些標準是相似的,但是它們仍然需要通過申請和相關過程。
此外,大多數射頻技術(如BLE、Wi-Fi或GPRS)都必須符合特定組織制定的標準。所以,它們也要通過這些認證。例如, 意法半導體的 BlueNRG SoC和 BlueNRG-M2SA 模塊的認證過程。
藍牙低功耗設備需要通過藍牙技術聯盟(管理藍牙標志使用的機構)的認證。它們還需要獲得不同國家和地區的RF認證。一些國家和地區確定的認證有FCC(美國)、RED(歐洲)、WPC(印度)、IC(加拿大)、SRCC(中國)、以及Type(日本)。
由于模塊已經經過測試并被認證為輻射裝置,通過模塊實現的設計無需再做輻射裝置認證,可被視為所用模塊的派生設備。下面是芯片組方法和模塊化方法的成本比較。
認證 | 項目 | 基于 芯片組 | 基于 模塊 | 預計 節約 |
藍牙 | 測試 | 8000 | 0 | 8000 € |
列表 | 8000 | 8000 | ||
CE | 安全 | 3500 | 3500 | 2000 € |
EMC EMC | 2500 | 2500 | ||
RF RF | 3500 | 1500 | ||
FCC | 4000 | 1500 | 2500 € |
認證過程耗時、繁瑣且成本高昂。如果產量夠大,可以通過規模經濟來分攤成本,但對小批量產品來說,分攤成本過高。
費用
本文已經討論了成本的一些要素。一般來講,成本包括
-電路設計成本
-設計人員成本、供應鏈成本和生產成本
-認證成本
-機會成本
一般來說,如果年產量超過100-150K件,或者產品的形狀不允許采用專用模塊,這些成本是合理的。
意法半導體提供的模塊
意法半導體是世界領先的半導體公司,生產各種低功耗射頻器件和模塊。意法半導體提供的射頻芯片組和相關模塊見下表
技術 | IC | 模塊 | 說明 |
BLE | BlueNRG-MS 網絡處理器 | BlueNRG-M0A BlueNRG-M0A | 全功能 / 低功耗 |
BlueNRG-M0L BlueNRG-M0L | 低成本 | ||
BlueNRG-2 應用處理器 | BlueNRG-M2SA BlueNRG-M2SA | 全功能 / 低功耗 | |
BlueNRG-M2SP BlueNRG-M2SP | 低成本 | ||
RF SubGhz 433MHz, 868Mhz, 915Mhz | SPIRIT1 小無線 | SPSGRF-868/915 SPSGRF-868/915 | 內置天線 |
SPSRFC-433/868/915 SPSRFC-433/868/915 | UFL連接器, 用于外部天線 |
一個需要考慮的非常重要的方面是,上面提到的所有芯片組和模塊均已納入10年長期供貨計劃。這意味著如果一家公司在其設計中使用了這些組件,那么意法半導體將從產品發布之日起的10年內持續提供這些組件,或提供完全兼容的替代品。

結論
如果終端設備的形狀不能適應模塊或產量非常大,則應采用芯片組方法以期實現合理的設計成本、生產成本和認證成本。如果公司希望專注于自己的核心競爭力并避免射頻設計的麻煩,模塊化方法應該是首選。模塊化方法也是原型制作和小批量生產的首選。如本文所述,意法半導體是低功率射頻技術領域的領軍企業,為各種應用場景提供廣泛的芯片組和模塊。
[1]//www.statista.com/statistics/471264/iot-number-of-connected-devices-worldwide/
[2]//www.usatoday.com/story/news/world/2013/06/13/un-world-population-81-billion-2025/2420989/
相關文章
快速成功地連接物聯網產品的5個技巧
對于物聯網設備制造商來說,蜂窩物聯網是實現互聯網連接的最可靠和最容易獲得的方式之一。根據ABIResearch的數據,到2026年,全球蜂窩物聯網設備總數將達到57億。蜂窩物聯網的采用正在增長,因為它易于部署和擴展。您只需要一...
5G需求雖放緩,中國光模塊行業前進步伐不變
近日,多位光模塊產業鏈的人士直言,5G的需求不及預期。同時,LightCounting也在最新的報告中指出,5G部署放緩,尤其在中國市場,短期內不要對5G前傳需求的回歸抱有太大希望。同時,5G前傳領域,國內三大運營商紛紛推出創...
江西:到2023年底物聯網產業規模突破2000億元
5月19日,記者從江西省工信廳獲悉,為深入實施數字經濟做優做強“一號發展工程”,加快江西物聯網新型基礎設施建設,江西省工信廳、省委網信辦、省科技廳等9部門聯合出臺《江西省加快推進物聯網新型基礎設施建設實施方案》(以下簡稱《方案...
熱點快評:5G發展竟給高考帶來難題?
本次高考作弊的小插曲為我們敲響了5G發展的警鐘,后續還需予以重視!近兩年,5G成為了越來越多人關注和談論的話題,其背后的原因,是5G的商用正在給人們的生產與生活帶來劇變。當然,這些變化肯定是積極的,比如讓人們視頻下載的速度更快...
物聯網加速融入生活場景,智能家居設備能做什么?
智能設備和物聯網已經進入現代家庭生活的幾乎所有方面。從您的安全系統到冰箱,“智能”電器已成為新常態。但它們真的能讓你的家變得更好嗎?或者所有這些智能家電只是另一種時尚,從長遠來看,您最終會后悔花額外的錢?讓我們來看看在家里裝滿...