無線智能家用防盜報警器設計原理及應用
傳統的有線防盜報警器都是檢測到有盜情的時候只在本地發出警報聲音,內部沒有控制器,易被破壞失效,安裝、擴展也不方便。本文設計的無線防盜報警器利用單片機控制,功能強大,并且易于擴展成多用途的智能家居系統。
1系統硬件電路
1.1總體結構
智能報警系統硬件總體結構如圖1所示,主要包括中央控制器、發射接收模塊、DTMF(雙音多頻)模塊、語音模塊、電話接口模塊等。

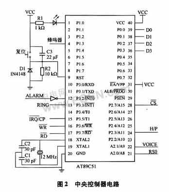
1.2中央控制器
選用AT89C51單片機,電路見圖2。P3.2(INT0)連接防盜探測器,用來檢測盜情,如果盜情發生,觸發外部中斷0。P2.1連接語音電路,實現語音的回放控制。P2.3連接電話接口芯片,實現模擬摘掛機控制。P1.0輸出模擬遠程控制。P1.4連接報警蜂鳴器。P0.0~P0.3分別與MT8888的D0~D3相連,用做數據總線。P2.0與MT8888的RS0相連,控制MT8888內部寄存器的選擇。P2.7與MT8888的CS控制MT8888的選通。P3.3(INT1)連接電話接口芯片的24腳,用來檢測振鈴。P3.6、P3.7分別與MT8888的WR和RD相連,控制MT8888的讀寫操作。

1.3探測器及無線發射、接收電路
探測器選用無線門磁,由一塊永磁體和門磁主體(內部有一個常開型的干簧管)兩部分組成。無線發射電路包含在門磁主體內,接收部分為超再生模塊電路,PT2262/PT2272組成編、解碼芯片對。當永磁體離開干簧管一定距離后,探測器立即發射包含地址編碼和自身識別碼(數據碼)的315 MHz高頻無線電信號,接收電路通過識別這個無線電信號的地址碼來判斷是否是同一個報警系統的,然后根據自身識別碼,確定是哪一個探測器報警。
1.4 DTMF收發電路
報警器電路與用戶電話機共用一條電話線。選用MT8888型DTMF收發器,與單片機及語音電路組合,實現各種電話信號音的檢測,進行自動撥號;或者解碼遠程電話按鍵信號,傳送到單片機,實現遠程控制。電路如圖3所示。

1.5語音電路
選用ISD1420作為基本錄、放音電路,所有的地址線均設置為0,放音的起始地址是0。當按住S3鍵,錄音開始,數據從0地址開始存儲,直到存儲器滿或按鍵松開為止。當按下S1鍵,則開始放音。電路見圖4。

1.6電話接口電路
電話接口電路如圖5所示。

DTMF收發電路、語音電路均需要通過電話接口電路與外界相連,選用PH8809電話接口芯片。
2系統軟件
2.1主程序流程
系統通過單片機控制,在有盜情時,啟動蜂鳴器電路,同時自動撥打預先設定電話報警;或者接受遠程控制。主流程如圖6所示。
[FS:PAGE]
2.2電話報警子程序流程
電話報警流程如圖7所示。

檢測子程序用來獲取提機后的回音信號,得到一個計數值。判斷子程序根據程控交換機的標準確定檢測到的回音是撥號音、忙音、回鈴音。撥號子程序在可以撥號條件下撥打預先設定電話,若對方為占線或響鈴后無人接,則延遲一段時間,等候下一輪續撥。放音子程序在撥打的電話接通后,將預先錄制的報警語音回放出來。
2.3遠程控制子程序流程
遠程控制子程序流程如圖8所示。

沒有盜情發生,戶主打回電話時,檢測到有振鈴,設定幾次振鈴還沒人接聽時,系統自動提機接通電話,等待戶主通過電話機鍵盤輸入命令,通過DTMF把命令傳送到主機,解碼后完成各種遠程控制動作。
3 結束語
本智能防盜報警系統功能完善、安裝方便、容易應用。換接其他傳感器,例如火、溫度、煙霧探測器,就可作為防火報警系統使用。另外,通過擴展外部的存儲器、主機的探頭接口數、顯示模塊、語音電路等,可使系統智能化程度更高、功能更強。
相關文章
物聯傳感無線智能家居展現個性化配置
智能家居概念打出來這么多年,已漸漸深入到老百姓的生活。那么智能家居到底能控制些什么呢?隨著物聯網的興起,智能家居這個基于家庭的物聯網,自然而然地登上物聯網這個大舞臺,大顯身手。
城市公共自行車租賃無線智能管理系統
深圳宏電城市公共自行車租賃無線智能管理系統由站點管理設備、H7921 VPN路由器、H3201 3G DVS和后端管理平臺四部分組成。
無線智能家居 美好生活從物聯網啟航
據預測物聯網社交網絡將是現在互聯網社交網絡的30倍以上,同時它的信息量不僅更大,而且更真實更有價值,對于健康溯源,生命認知、醫療保健等具有非常重要的意義,可以說物聯網智能家居的普及不僅僅能夠提高我們的生活品質,在更大的意義上將...
物聯傳感:國家推廣物聯網產業 無線智能家居迎來契機
回首過往,智能家居進入中國也已有十年歷程,在這十年發展中,市場的不溫不火傷了著實傷了很多人的心,國內任何智能家居廠家在涉足智能家居領域這幾年肯定是在彷徨又自信中度過。在市場大浪淘沙中,很多企業尚未見到曙光便消失在搖籃里。
蘇州金沃智能體驗館揭幕 引領無線智能家居時代
10月30日上午10:30,蘇州金沃智能技術有限公司智能體驗館在江蘇昆山美麗的陽澄湖畔盛裝開業,其面積近2千平米的家居智能生活體驗館,是目前全國最大的單體量智能體驗廳,匯聚了全球領先的智能技術產品和頂尖的品牌廠家,無疑給昆山人...