基于RFID的不停車收費系統研究
針對提高公路收費道口通行能力, 減少公路收費道口車輛阻塞的目的, 設計研發了基于RFID 的不停車收費系統,采用了無線射頻識別(RFID) 、自動車輛識別(AVI) 、自動車型分類(AVCS)、短程通信、逃費抓拍等技術,通過安裝在車輛擋風玻璃上的電子標簽與在收費站ETC 車道上的微波天線之間的專用短程通訊, 利用計算機聯網技術與銀行進行后臺結算處理,從而達到車輛通過路橋收費站不需停車就能交納費用的目的。通過烏昌高速公路收費站應用證明: ETC 車道通行能力比普通車道提高4~6 倍,有效的提高了收費道口通行能力與收費效率。
ETC (ElectrONic Toll Collection) 不停車收費系統是目前世界上最先進的路橋收費方式。通過安裝在車輛擋風玻璃上的車載電子標簽與在收費站ETC 車道上的微波天線之間的微波專用短程通訊,利用計算機聯網技術與銀行進行后臺結算處理,從而達到車輛通過路橋收費站不需停車而能交納路橋費的目的。ETC 是國際上正在努力開發并推廣的一種用于公路、大橋和隧道的電子自動收費系統,該技術在國外已有較長的發展歷史,美國、歐洲等許多國家和地區的電子收費系統已經局部聯網并逐步形成規模效益。我國以IC 卡、磁卡為介質, 采用人工收費方式為主的公路聯網收費方式無疑也受到這一潮流的影響。
不停車收費技術特別適于在高速公路或交通繁忙的橋隧環境下采用。在傳統采用車道隔離措施下的不停車收費系統通常稱為單車道不停車收費系統,在無車道隔離情況下自由交通流下的不停車收費系統通常稱為自由流不停車收費系統。實施不停車收費,可以允許車輛高速通過(幾十公里以至100 多公里),故可大大提高公路的通行能力;公路收費走向電子化,可降低收費管理的成本,有利于提高車輛的營運效益; 同時也可以大大降低收費口的噪聲水平和廢氣排放。由于通行能力得到大幅度的提高,所以,可以縮小收費站的規模,節約基建費用和管理費用。另外,不停車收費系統對于城市來說, 不僅僅是一項先進的收費技術, 它還是一種通過經濟杠桿進行交通流調節的切實有效的交通管理手段。對于交通繁忙的大橋、隧道, 不停車收費系統可以避免月票制度和人工收費的眾多弱點,有效提高這些市政設施的資金回收能力。
1 系統設計原理及構成
1.1 系統原理
1)射頻自動識別不停車收費系統不需要專門的收費員進行操作,它利用微波自動識別技術,完全通過設備本身來完成對通行車輛的收費工作[2]。
2)存儲[FS:PAGE]有車型、車號、金額、有效期等信息的射頻電子標簽卡被安裝在汽車前方擋風玻璃內側的左下角。當持卡車輛進入不停車收費車道時,車輛感應器的“ENteR LOOP”線圈產生來車信號,激發射頻自動識別讀寫器讀取該車射頻電子標簽卡上的信息(車型、車號、剩余金額和有效期等),同時光柵、高度檢測器和軸數檢測器等車型差別設備,自動檢測來車的實際車型。射頻自動識別原理如圖1 所示。

圖1 射頻自動識別原理
3)從車載射頻電子標簽卡讀取的信息,以及車型判別設備所采集到的數據均被送到車道控制計算機內進行分析比較,如電子卡中所記錄的車型與設備所判別的車型一致、卡中車號不在黑名單內、應繳金額小于等于剩余金額、車輛通過時間在卡的有效期范圍內,則該卡被認為是有效卡; 如前述4 項比較中, 有一項不符合, 則該卡被認為是無效卡。
4)如來車所持射頻電子標簽卡為有效卡,則通行信號燈由紅色變為綠色,偏叉信號燈呈綠色直行標志,自動欄桿抬起;當來車駛離EXIT LOOP 的檢測范圍后,通行信號燈由綠色變為紅色, 偏叉信號燈熄滅, 自動欄桿關閉。駛離EXITLOOP 的檢測范圍后,通行信號燈由綠色變為紅色,偏叉信號燈熄滅,自動欄桿關閉。
5)如來車所持射頻電子標簽卡為無效卡,則通行信號燈呈紅色, 偏叉信號燈呈黃色左轉通行標志, 自動欄桿關閉; 當來車左行駛離無卡車輛轉向人工收費車道的車輛感應器的“ESC LOOP” 線圈的檢測范圍后,偏叉信號燈熄滅;如來車沒有轉向人工收費道(有些場合不設此轉向旁道),而依然向前行駛,當其抵達車輛感應器線圈“ENTER LOOP的”檢測范圍時,警鈴報警,將有收費員前來人工收費處理后,人工放行。
6)射頻電子標簽卡的銷售和費用結算均在收費中心(即購卡中心)進行[3]。為適應不同用戶的需要,一般發行兩種電子卡,一種是預付費電子標簽卡,一種是信用式電子標簽卡。
7)預付費電子標簽卡,顧名思義是必須先付費后通行的電子卡,該卡的發行面向整個社會。用戶僅需直接到購卡中心購買存有一定金額的電子卡, 即可使用不停車收費車道。
在每次使用時, 系統將自動從電子卡中扣除該車的應繳金額。該電子卡可以重復使用,當卡中剩余金額很少或沒有時,用戶可以到購卡中心重新存入一定的金額到電子卡中,以保證其繼續有效。
8)信用式電子標簽卡,是一種允許用戶先通行后付款的電子卡,該卡的發行對象主要是一些由銀行信用卡為結算手段的用戶, 或企業形象很好的國家機關和企事業單位,費用[FS:PAGE]結算采用銀行托收的方式。系統原理及流程如圖2 所示。

圖2 系統原理及流程
1.2 RFID 防碰撞算法
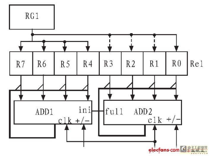
RFID 防碰撞算法對于提高車輛跟蹤可靠性是關鍵技術,本系統采用的為行鏈路多標簽沖突檢測算法[4], 此算法僅需在電子標簽中配置1 個8 位寄存器、1 個l 位“O”、“l”隨機數產生器和2 個4 位加減l 計數器以及少量選擇電路就能實現最多達1 048 576 個標簽的仲裁。仿真表明本算法產生的碰撞概率明顯小于二進制數算法,同時通過寄存器高位的靈活設置, 還能有效解決低標簽密度時空傳率高的問題,從而進一步降低了碰撞概率。算法步驟:
1)被動方標簽中設計一個4+4 位的寄存器(Rel)和1 個“0”、“l”隨機數產生器(RGI),隨機數產生器產生兩組隨機數,分別加載到寄存器高位和低4 位。其中高位加載的位數M 可以動態設為1、2、3 或4。
2)主動方讀寫器向所有處在等待態的標簽發送初始化命令。標簽因此進入仲裁態,用RGI 產生4 比特隨機數,加載到Rel 高4 位R7 R4,低4 位R3 R0 全部清零。
3)讀寫器等待一定時間后發送允許回傳命令。
4)Rel 為全零的標簽向讀寫器回傳標簽ID。
5)如果當前只有一個標簽回傳ID,讀寫器正確讀取該ID,則發送確認命令,附加命令參數“低位減l”。回傳了ID 的標簽接收到該命令后,進入確認態,其他高4 位為全零的標簽Re1 低4 位減1,回到步驟4)重復操作。
6)如果當前有多個標簽回傳ID,讀寫器通過CRC 校驗或碼長校驗,檢測到錯誤的ID 號,則發送確認命令,附加命令參數“寄存器加1”。接收到讀寫器這個命令后,所有在仲裁態且Rel 為全零的標簽由RGI 產生1 比特隨機數和寄存器上的數相加后重新載入到寄存器中;其他仲裁態且Rel 高4位為零而低4 位不為零的標簽Rel 加1,回到步驟4)重復操作。
7)如果當前沒有標簽回傳ID,讀寫器等待一定時間后發送確認命令,附加命令參數“低位減1”。所有在仲裁態且高4為全零的標簽Rel 低4 位減1,回到步驟4)重復操作。
8)低4 位減1 操作重復L 次(L 是一個系統參數,由系統設定,經驗值為4)后,讀寫器認為所有在仲裁態且寄存器高4 位為零的標簽都已經被正確讀取,則發送確認命令,附加命令參數“高4 位減l”,回到步驟4)。
9)標簽接收到附加“高位減l”參數的確認命令后,所有Rel 高4 位不為零的標簽高4 位減l, 回到步驟4 重復操作;在被要求高位減1 前已為零的標簽則回到等待態。
10)重復2M 次高位減1 操作后,讀寫器認為所有在仲裁態的標簽都[FS:PAGE]已經被讀取,則仲裁過程停止,所有還處于仲裁態的標簽返回等待態。

圖3 防碰撞算法實現電路
算法仿真:仿真結果如圖4 所示,可以看到當標簽總數為20 時,如果把高位寄存器的位數從4 降到1,則平均碰撞次數從5.5 回落到1.4。而當標簽總數為200 和2 000 時,高位寄存器位數的改變對平均碰撞次數的影響不大。因此如果在某次仲裁中出現多次空傳,讀寫器可以在下一次仲裁時指示標簽改變寄存器高位個數,以此降低空傳率,進而可以降低平均碰撞次數。

圖4 防碰撞算法仿真結果
2 系統構成及功能實現
射頻自動識別不停車收費系統按其功能可分為自動識別控制子系統[5]、自動判斷型子系統、數據采集子系統、車輛檢測子系統、閉路電視子系統和信號控制子系統等。
1)自動識別控制子系統主要由射頻自動識別讀寫器、UHF射頻自動識別卡,微波天線、車道道閘控制機、收費員計算機終端等組成,它是整個不停車收費系統的核心,負責控制不停車收費車道所有設備的運行、收費業務操作的管理以及與收費站計算機的通信和數據交換。
2)自動判斷型子系統主要由光柵、高度檢測器、軸數檢測器等組成,它通過采集車輛的高度和軸數等參數,經綜合分析比較來判別車輛的車型; 該子系統至少可以判別3 種以上車型。自動判斷型子系統在有些場合可以由用戶選擇使用[6]。
3)數據采集子系統主要由射頻天線和射頻電子標簽卡構成。射頻電子標簽被安裝在汽車擋風玻璃內側的上方,在電子標簽上寫有標簽編號、車號、車主、車型、應繳金額、剩余金額和有效期等信息; 微波天線被安裝在收費島的前端,它通過微波技術從射頻電子標簽卡上讀取有關信息,并同步傳送給車道控制主機。
4)閉路電視子系統主要由車道攝像機和收費站的監視器等組成。車道攝像機被安裝在收費島的前端,主要用于拍攝非法通過的違章車輛。
5)信號控制子系統主要由通行信號燈、偏叉信號燈和自動欄桿等組成,用于提醒駕駛員正確使用不停車收費車道。
6)車輛檢測子系統主要由3 組環形線圈組成。第一組環形線圈(ENTER LOOP)被安裝在收費島的入口處,用于激活天線讀取電子標簽的信息;第二組環形圈(ESC LOOP)被安裝在收費島的中間出口處,用于控制通行信號燈和偏叉信號燈的狀態;第三組環形線圈(EXIT LOOP)被安裝在收費島的出口端,用于統計車流量,并控制自動欄桿、通行信號燈和偏叉信號燈的工作狀態。

圖5 系統構成
3 結束語
隨著我國公路事業的發展和不停車收費系統的開發[FS:PAGE]應用,也會隨著增長的交通需求,相信不停車收費系統一定會被國家、被企業、被消費者廣泛關注和接受。不停車收費系統在我國的市場一定會有著廣闊的光明前景。
相關文章
一種用于醫療無菌手套自動分配的RFID解決方案
一臺具備RFID功能的機器使醫務人員能夠用ID卡輕靠設備,戴上尺寸合適的手套,從而降低感染風險。在日常工作中,丁腈手套是醫護人員最常用的消耗工具之一,可確保他們在不傳播感染的情況下治療患者。根據德克薩斯醫療技術公司(Texas...
如何提升超高頻RFID多標簽的讀取率?
在RFID的實際應用中,常常有要求同時讀取大量標簽的情況,比如對倉庫貨物數量的盤點,圖書館場景中對館藏圖書數量的盤點,也包括傳送帶或托盤上數十個乃至上百個貨物標簽的讀取情況。針對多數貨物讀取的情形,根據其被讀取成功的概率稱作讀...
智慧食品安全新紀元中的RFID和供應鏈數字化
去年,FDA(美國食品和藥物管理局)發起了一項新的前瞻性運動,以推動供應鏈現代化的長期采用和行業共識。“智慧食品安全新紀元”計劃是通過文化的漸進式變革、新技術的普及和互操作標準的清晰化,朝著建立一個以技術為基礎的食品體系邁出的...
RFID機場智慧消防物聯網解決方案
當前信息化時代的大背景下,智慧消防建設率先在機場、文保單位、軌道交通等重點領域進行建設,此類場所消防工作極為重要,人口集中,且人口流量大,另外像油、電、氣等能源的應用,對消防工作更是提出了更為嚴苛的要求。機場智慧消防物聯網...