無線傳感器網絡數據無線傳輸系統的設計
0 引 言
無線傳(chuan)(chuan)感(gan)器網絡就是一(yi)種(zhong)RGS系統(遠程(cheng)地面傳(chuan)(chuan)感(gan)器系統),它(ta)是一(yi)種(zhong)利用多(duo)(duo)(duo)種(zhong)傳(chuan)(chuan)感(gan)器作(zuo)為綜(zong)合(he)(he)情報采集(ji)元件,進行數據(ju)融合(he)(he)、編(bian)(bian)碼等處(chu)理(li)(li)后,發送給指揮中心,處(chu)理(li)(li)還(huan)原后在(zai)監控(kong)平(ping)臺(tai)顯示(shi)出來(lai)的探測(ce)(ce)系統。它(ta)集(ji)傳(chuan)(chuan)感(gan)器技(ji)術(shu)(shu)(shu)、圖像(xiang)探測(ce)(ce)技(ji)術(shu)(shu)(shu)、震動探測(ce)(ce)技(ji)術(shu)(shu)(shu)、聲音(yin)探測(ce)(ce)技(ji)術(shu)(shu)(shu)、無線通信技(ji)術(shu)(shu)(shu)、數字編(bian)(bian)碼壓(ya)縮(suo)技(ji)術(shu)(shu)(shu)、信息(xi)融合(he)(he)技(ji)術(shu)(shu)(shu)及計算機技(ji)術(shu)(shu)(shu)為一(yi)體,是由多(duo)(duo)(duo)種(zhong)高(gao)新技(ji)術(shu)(shu)(shu)集(ji)成的綜(zong)合(he)(he)性(xing)技(ji)術(shu)(shu)(shu)。無線多(duo)(duo)(duo)傳(chuan)(chuan)感(gan)器網絡系統主要由以下(xia)幾部分組成:
(1)系統前端(duan)傳(chuan)感(gan)器及(ji)GPS模(mo)塊——信號采(cai)集(ji)部(bu)分:主(zhu)要是(shi)由圖像、聲音、震動以及(ji)紅外傳(chuan)感(gan)器組成的探測(ce)單元和GPS模(mo)塊構成,負(fu)責完成戰(zhan)場信息監測(ce)任務。
(2)信(xin)息傳(chuan)輸部分:主要負責(ze)將采集到的(de)信(xin)息壓縮編碼和(he)進行遠距(ju)離無線(xian)傳(chuan)輸。
(3)指(zhi)揮中心(xin)測控平臺部分(fen):主要完成(cheng)對監測單元(yuan)的遠程(cheng)控制及(ji)(ji)信號接收任(ren)務,并對搜集到(dao)的各種信息進行融合處理、分(fen)析。將處理結(jie)果提供給指(zhi)揮中心(xin)人員,使他(ta)們能(neng)及(ji)(ji)時準確地把握戰場(chang)態(tai)勢,做(zuo)出相應的決策。
本文主要(yao)是(shi)對(dui)無線傳感(gan)器網絡中圖像傳輸(shu)系(xi)統的(de)硬(ying)件(jian)設計與軟(ruan)件(jian)編程的(de)思想。
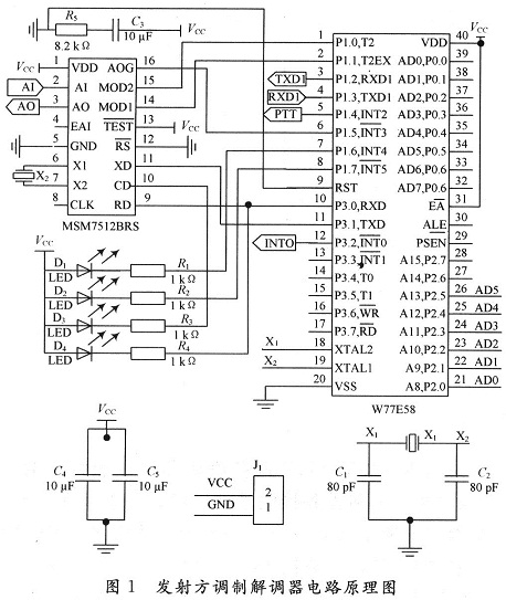
1 發射端調(diao)制(zhi)解調(diao)器硬(ying)件電路設計和工作(zuo)原理
調(diao)(diao)制解(jie)調(diao)(diao)器硬(ying)件電路(lu)在發射方和接收方,由于(yu)所(suo)需完(wan)成的(de)任務不同,實際上是不一(yi)樣(yang)的(de)。發射方調(diao)(diao)制解(jie)調(diao)(diao)器電路(lu)原理圖如(ru)圖1所(suo)示。

系(xi)(xi)統(tong)使(shi)(shi)用(yong)+5 V的(de)(de)(de)(de)(de)(de)(de)(de)電(dian)源(yuan)(yuan)由無線(xian)電(dian)臺(tai)的(de)(de)(de)(de)(de)(de)(de)(de)電(dian)池變換后供(gong)給(gei)。MSM7512 B使(shi)(shi)用(yong)專用(yong)的(de)(de)(de)(de)(de)(de)(de)(de)3.579 545 MHz的(de)(de)(de)(de)(de)(de)(de)(de)晶體,由于(yu)其內部(bu)有(you)接(jie)(jie)地(di)電(dian)容,不用(yong)外(wai)接(jie)(jie)補償元件(jian);單片(pian)機(ji)(ji)(ji)使(shi)(shi)用(yong)頻率為11.059 2 MHz的(de)(de)(de)(de)(de)(de)(de)(de)晶體,主要是為了在波(bo)(bo)特(te)率設置時(shi),可(ke)以取得(de)準確(que)的(de)(de)(de)(de)(de)(de)(de)(de)波(bo)(bo)特(te)率,能有(you)效避免(mian)定時(shi)器(qi)工(gong)作產生的(de)(de)(de)(de)(de)(de)(de)(de)積累誤(wu)差(cha),外(wai)接(jie)(jie)的(de)(de)(de)(de)(de)(de)(de)(de)補償元件(jian)是二(er)個(ge)30 pF電(dian)容。為了防(fang)止(zhi)單片(pian)機(ji)(ji)(ji)程(cheng)序運行(xing)時(shi)的(de)(de)(de)(de)(de)(de)(de)(de)誤(wu)操作,應將單片(pian)機(ji)(ji)(ji)EA/VPP端(31腳)置高電(dian)平,確(que)保單片(pian)機(ji)(ji)(ji)訪問(wen)內部(bu)的(de)(de)(de)(de)(de)(de)(de)(de)程(cheng)序存(cun)儲器(qi)。由于(yu)調(diao)制解(jie)調(diao)芯片(pian)MSM7512B和(he)(he)(he)單片(pian)機(ji)(ji)(ji)W77E58都支持(chi)TTL電(dian)平,所以單片(pian)機(ji)(ji)(ji)的(de)(de)(de)(de)(de)(de)(de)(de)第一串(chuan)行(xing)通信(xin)(xin)口TXD,RXD可(ke)以直接(jie)(jie)與(yu)MSM75125B的(de)(de)(de)(de)(de)(de)(de)(de)XD和(he)(he)(he)RD相連(lian);單片(pian)機(ji)(ji)(ji)的(de)(de)(de)(de)(de)(de)(de)(de)P1.0,P1.1分(fen)別連(lian)接(jie)(jie):MSM7512B的(de)(de)(de)(de)(de)(de)(de)(de)MOD2和(he)(he)(he)MOD1,按(an)通信(xin)(xin)的(de)(de)(de)(de)(de)(de)(de)(de)要求,在收發(fa)(fa)之間(jian)轉換,以控(kong)制調(diao)制解(jie)調(diao)芯片(pian)的(de)(de)(de)(de)(de)(de)(de)(de)工(gong)作狀態;P1.4則控(kong)制無線(xian)電(dian)臺(tai)收/發(fa)(fa)狀態的(de)(de)(de)(de)(de)(de)(de)(de)轉換(PTT)。MSM75125B的(de)(de)(de)(de)(de)(de)(de)(de)AO和(he)(he)(he)AI分(fen)別通過(guo)接(jie)(jie)口電(dian)路與(yu)無線(xian)電(dian)臺(tai)的(de)(de)(de)(de)(de)(de)(de)(de)送(song)/受話器(qi)相連(lian)。作為系(xi)(xi)統(tong)外(wai)部(bu)監視的(de)(de)(de)(de)(de)(de)(de)(de)顯(xian)示(shi)(shi)(shi)(shi)電(dian)路全部(bu)由發(fa)(fa)光(guang)二(er)極(ji)管和(he)(he)(he)電(dian)阻構(gou)成(cheng),其中紅色發(fa)(fa)光(guang)二(er)極(ji)管D1為電(dian)源(yuan)(yuan)指示(shi)(shi)(shi)(shi),亮則表(biao)示(shi)(shi)(shi)(shi)系(xi)(xi)統(tong)的(de)(de)(de)(de)(de)(de)(de)(de)初始化過(guo)程(cheng)正確(que);黃色發(fa)(fa)光(guang)二(er)極(ji)管D2為發(fa)(fa)送(song)正確(que)指示(shi)(shi)(shi)(shi),系(xi)(xi)統(tong)每正確(que)完成(cheng)一次數(shu)(shu)據(ju)發(fa)(fa)送(song)任務,它應閃爍(shuo)一次;D3為載波(bo)(bo)檢(jian)測(ce)(ce)指示(shi)(shi)(shi)(shi),如(ru)果亮則表(biao)示(shi)(shi)(shi)(shi)調(diao)制解(jie)調(diao)[FS:PAGE]器(qi)檢(jian)測(ce)(ce)到了信(xin)(xin)道中的(de)(de)(de)(de)(de)(de)(de)(de)有(you)效載波(bo)(bo)信(xin)(xin)號;D4為數(shu)(shu)據(ju)傳輸指示(shi)(shi)(shi)(shi),系(xi)(xi)統(tong)在發(fa)(fa)送(song)數(shu)(shu)據(ju)時(shi)它就開(kai)始閃爍(shuo),直至數(shu)(shu)據(ju)發(fa)(fa)送(song)完畢。如(ru)果前端傳感器(qi)有(you)數(shu)(shu)據(ju)需要傳送(song)時(shi),產生一個(ge)下降(jiang)沿脈沖,觸發(fa)(fa)單片(pian)機(ji)(ji)(ji)的(de)(de)(de)(de)(de)(de)(de)(de)外(wai)部(bu)中斷INTO(P3.2),單片(pian)機(ji)(ji)(ji)響(xiang)應中斷后,將前方來的(de)(de)(de)(de)(de)(de)(de)(de)8位并行(xing)數(shu)(shu)據(ju)由P2口(P2.0~P2.5)讀入,由于(yu)P2口內部(bu)有(you)上拉電(dian)阻,因此作為輸入口時(shi),可(ke)用(yong)TTL或MOS電(dian)路驅動,而(er)不要外(wai)加上拉電(dian)阻。W77E58的(de)(de)(de)(de)(de)(de)(de)(de)串(chuan)行(xing)通信(xin)(xin)口2可(ke)留作系(xi)(xi)統(tong)的(de)(de)(de)(de)(de)(de)(de)(de)擴(kuo)展口備用(yong)。
2 接(jie)收方調(diao)制解調(diao)器(qi)與單片機(ji)的(de)接(jie)口電路
接(jie)收(shou)(shou)方調(diao)(diao)制解(jie)(jie)調(diao)(diao)器(qi)電路與戰場傳(chuan)感器(qi)方調(diao)(diao)制解(jie)(jie)調(diao)(diao)器(qi)電路在單(dan)(dan)片機(ji)和調(diao)(diao)制解(jie)(jie)調(diao)(diao)芯(xin)片的(de)(de)使用(yong)和控制是一樣的(de)(de)。所不同的(de)(de)是:單(dan)(dan)片機(ji)的(de)(de)第二(er)串(chuan)行口通(tong)過電平轉換(huan)電路與計算機(ji)的(de)(de)RS 232C口相連,把接(jie)收(shou)(shou)到的(de)(de)數字信號傳(chuan)送給微機(ji)。接(jie)收(shou)(shou)方調(diao)(diao)制解(jie)(jie)調(diao)(diao)器(qi)與單(dan)(dan)片機(ji)的(de)(de)接(jie)口電路如圖2所示(shi)(shi)(shi)。發光二(er)極(ji)管顯示(shi)(shi)(shi)電路作用(yong)也不完全相同,其(qi)中D1~D8為接(jie)收(shou)(shou)數據(ju)顯示(shi)(shi)(shi),它(ta)能(neng)把正(zheng)確接(jie)收(shou)(shou)的(de)(de)數據(ju)以二(er)進數的(de)(de)形式顯示(shi)(shi)(shi)出(chu)來,D9為系統(tong)的(de)(de)電源(yuan)指(zhi)示(shi)(shi)(shi),D10為發送正(zheng)確指(zhi)示(shi)(shi)(shi),D11為載波檢測指(zhi)示(shi)(shi)(shi),D12為數據(ju)傳(chuan)送指(zhi)示(shi)(shi)(shi)。

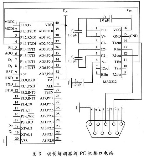
3 調制解(jie)調器與PC機接口電路的(de)設計
調(diao)(diao)制解(jie)調(diao)(diao)器與PC機(ji)接(jie)口(kou)實際上也就是調(diao)(diao)制解(jie)調(diao)(diao)器中單片機(ji)W77E58與PC機(ji)的(de)(de)接(jie)口(kou)電路(lu),W77E58支持TTL電平(ping),而(er)微機(ji)串行通信(xin)口(kou)RS 232C支持EIA電平(ping),因此在實現它們之間的(de)(de)串行通信(xin)時,必須設計電平(ping)轉換電路(lu),以滿足它們各自(zi)的(de)(de)需(xu)要。
電平轉換電路是指揮中心方調制解調器與微機的接口電路,它也是數據無線傳輸系統硬件電路(指揮中心方)的一個組成部分。其工作過程如下:由調制解調器解調出來的數字信號,由單片機處理后,從W77E58的串行通信口2,經電平轉換芯片MAX232、PC機的RS 232C口(DB9)和微機內部的UART,最后傳遞給CPU,在監控平臺上顯示出來。其電路原理圖如圖3所示。

4 圖(tu)像無線傳輸軟件(jian)設(she)計
程(cheng)(cheng)序(xu)(xu)共分五個部分,三個主(zhu)程(cheng)(cheng)序(xu)(xu)為:發送(song)方單片(pian)機(ji)程(cheng)(cheng)序(xu)(xu)、接(jie)(jie)收方單片(pian)機(ji)程(cheng)(cheng)序(xu)(xu)和微(wei)機(ji)接(jie)(jie)收程(cheng)(cheng)序(xu)(xu);兩個子(zi)程(cheng)(cheng)序(xu)(xu)為:差錯(cuo)處理(li)子(zi)程(cheng)(cheng)序(xu)(xu)、發送(song)延(yan)時子(zi)程(cheng)(cheng)序(xu)(xu)。
收(shou)、發雙(shuang)方及單片機(ji)與PC機(ji)之間的聯絡(luo)均(jun)采(cai)用軟(ruan)件“握手”信(xin)號(hao)聯絡(luo)。所有聯絡(luo)“握手”信(xin)號(hao)均(jun)為(wei)#0AAH,接(jie)(jie)收(shou)正確后應(ying)答信(xin)號(hao)為(wei)#00H,接(jie)(jie)收(shou)錯誤則應(ying)答為(wei)#0FFH。
傳感(gan)器(qi)一(yi)方(fang)在無數據(ju)需要(yao)傳輸(shu)時,通過單(dan)片機的(de)(de)編程(cheng)控(kong)(kong)制(zhi)使MSM7512B工作在省電模(mo)式,此時調(diao)制(zhi)解調(diao)芯片(不含W77E58)的(de)(de)功耗僅為0.1 mW,可以最大(da)限度地延長電池的(de)(de)使用時間。單(dan)片機與MSM7512B的(de)(de)邏輯控(kong)(kong)制(zhi)關系:P1.O→MOD2,P1.1→MODl,P1.5→AOG,另外 P1.4→電臺(tai)(tai)PTT,單(dan)片機控(kong)(kong)制(zhi)MSM751[FS:PAGE]2B和電臺(tai)(tai)進行(xing)收、發轉(zhuan)換。前端傳感(gan)器(qi)有數據(ju)傳輸(shu)時,產生一(yi)個(ge)下降沿的(de)(de)脈(mo)沖信號啟動(dong)整個(ge)系統的(de)(de)程(cheng)序(xu)運行(xing),數據(ju)傳輸(shu)完畢后,系統返回初始(shi)狀(zhuang)態(tai)。單(dan)片機的(de)(de)P1.5口控(kong)(kong)制(zhi)選擇(ze)MSM7512B的(de)(de)的(de)(de)輸(shu)出電平。
設(she)(she)定單片(pian)機的2個串(chuan)行口都工(gong)(gong)(gong)作于串(chuan)行口工(gong)(gong)(gong)作方式1;定時器(qi)T1工(gong)(gong)(gong)作于方式2(自動重裝初值(zhi)),作波特率(lv)發生器(qi),通過調整T1的初裝值(zhi),用來選擇(ze)1 200 b/s,600 b/s和300 b/s三種速率(lv);定時器(qi)T2工(gong)(gong)(gong)作于方式1,作定時器(qi),用來設(she)(she)計安(an)排延時。
在系統的設計過程中,為了減少電臺靈敏度不高和信道質量差誤碼等影響,發送方需連續發5次“握手”聯絡信號,接收方在連續2次收到正確的聯絡信號以后,才確認是有效的聯絡予以響應,否則認為是干擾信號,不予以響應。這樣既能減少各類原因造成的接收機程序不啟動運行導致漏報的可能性,又能保證接收機不因干擾信號而誤操作,減少誤報的機率。另外綜合考慮電臺的收發轉換和調制解調芯片的收發轉化所需的各類延時時間,在設計程序時專門安排了一個延時時間。經過大量的實驗,得出一個比較合適的延時時間,即不論通信哪一方,在由收轉為發狀態后,都先延時70 ms,因為時間太短了系統不能正常工作,太長了可能會影響數據的傳輸速率,降低數據傳輸的時性。系統數據發射端和接收端單片機程序流程圖如圖4所示。

5 結 語
通過對MSM7512B調制解調芯片性能特點的了解,設計出了發射端和接收端調制解調器的實際電路,然后簡單介紹了具有雙串口功能的單片機W77E58的性能特點后,給出了數據無線傳輸系統的接收方單片機與PC機之間串行通信的硬件電路圖,并描述了Mo-dem與電臺接口電路的設計過程,最后敘述了整個系統單片機軟件的特點。從整體上給出了無線傳感器網絡數據無線傳輸系統的設計原理圖。
相關文章
歐盟統一充電口:無線傳輸技術或成為關鍵
2020年(nian)2月3日,外媒曝出一(yi)則(ze)重(zhong)磅消(xiao)息,歐盟議會投票(piao)通過移動(dong)設(she)備的的統一(yi)充(chong)電(dian)解決方(fang)案。歐盟決定強制境(jing)內所有手機生產商將(jiang)充(chong)電(dian)口改(gai)為Type-C接(jie)口,也就是目前安卓手機正在使用的接(jie)口。這一(yi)舉(ju)措也代(dai)表著如蘋果、華為等自有充(chong)電(dian)接(jie)...
傳感器如何監控橋梁以保證安全
橋(qiao)(qiao)梁(liang)對我們的(de)(de)基礎(chu)設施至(zhi)關重要,需要定期維護,以確保汽(qi)車、卡車、軌道(dao)和經(jing)常通過橋(qiao)(qiao)梁(liang)的(de)(de)人(ren)的(de)(de)安全。許(xu)多(duo)橋(qiao)(qiao)梁(liang)已(yi)經(jing)使用了50年甚至(zhi)更久,每天都有市(shi)民(min)在結構(gou)缺陷(xian)的(de)(de)橋(qiao)(qiao)梁(liang)上行走(zou)。IEEE資深成員ClintAndrews說:“橋(qiao)(qiao)梁(liang)的(de)(de)結構(gou)健康監測...
智慧城市建設步伐加快 傳感器產業機遇與挑戰并存
智慧(hui)城市(shi)的出(chu)現是基于2008年(nian)(nian)IBM提出(chu)的“智慧(hui)地球”理念,隨后引(yin)發了(le)智慧(hui)城市(shi)建(jian)設的熱潮(chao)。2012年(nian)(nian),我國(guo)就(jiu)已經開始了(le)智慧(hui)城市(shi)的試點工作。2014年(nian)(nian)時政府正式(shi)印(yin)發了(le)《關于促(cu)進智慧(hui)城市(shi)健康發展(zhan)的指導(dao)意見》,計劃到2020年(nian)(nian)建(jian)...
超聲波傳感器的應用分析
眼下,國外許多汽(qi)(qi)車(che)制造(zao)商和(he)技(ji)術公(gong)司都(dou)在(zai)測(ce)試具備完全自(zi)(zi)動駕駛(shi)功能的自(zi)(zi)動駕駛(shi)汽(qi)(qi)車(che)。日產(chan)、通用汽(qi)(qi)車(che)甚至表示,到2020年,他(ta)們將在(zai)道路(lu)上(shang)試運行自(zi)(zi)動駕駛(shi)汽(qi)(qi)車(che),這兩種(zhong)自(zi)(zi)動駕駛(shi)汽(qi)(qi)車(che)以及結合了駕駛(shi)員輔助技(ji)術的人類駕駛(shi)汽(qi)(qi)車(che),都(dou)要(yao)廣泛(fan)使(shi)用傳...
工業物聯網傳感器如何改善制造業
2018年第(di)四季度(du),制(zhi)造業(ye)為美國(guo)經(jing)濟貢獻了(le)2.38萬(wan)億美元(yuan),雇傭了(le)1200多萬(wan)工人(ren),占當年美國(guo)國(guo)內生產總值的(de)(de)(de)11.4%。盡管(guan)所有媒體(ti)都對制(zhi)造業(ye)地位的(de)(de)(de)下降感到擔憂,但由(you)于關鍵技(ji)術的(de)(de)(de)進步(bu),該行業(ye)近年來蓬勃發展(zhan)。而工業(ye)物(wu)聯網(I...