基于CY8C29466的汽車油門踏板角位置傳感器設計
隨著科學技術的發展,汽車正朝著智能化的方向發展。隨汽車智能化程度的增加,傳感器在汽車上的應用越來越多。油門踏板角位置是汽車智能化控制中的一個重要參數,目前市場上的角位置傳感器大多價格昂貴、體積大、壽命低。因此,開發一款價格低、體積小、壽命相對較高的油門踏板角度傳感器顯得尤為重要。本設計的目的是開發一款基于賽普拉斯半導體公司生產的可編程片上系統CY8C29466的非接觸式角度傳感器。
設計原理
首先通過三點式LC正弦波振蕩電路,產生一個正弦波信號,電路中的電感系數L隨被測角度的改變而改變;然后把正弦波信號輸入到電壓比較器,得到一個方波信號;最后把方波信號輸入到單片機進行處理,根據方波信號的頻率由單片機輸出分別與角度成線性關系的電壓和頻率兩路信號。
1.三點式LC正弦波振蕩電路
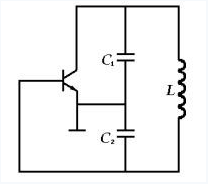
圖1所示是基本的三點式LC正弦波振蕩回路,一個三點式LC正弦波振蕩回路要想正常工作,必須具備一個振蕩回路(至少有兩個儲能原件)、振蕩能量來源(電源+Vcc)和控制元件(三極管)。

圖1(a):三點式LC正弦波振蕩電路

圖1(b):三點式LC正弦波振蕩電路
2.混合信號PSoC
傳統的單片機只包括數字邏輯系統,而本設計采用的CY8C29466不僅具有數字邏輯系統,還具有模擬模塊和模數混合信號模塊,例如增益可編程放大器、電壓比較器、模數轉換模塊和模數轉換模塊。該芯片的高集成度特性使整個設計節省了元器件、產品的體積也更小。
硬件設計
傳感器的硬件部分主要包括兩大部分,其中CY8C29466和外圍電路為第一部分。CY8C29466主要負責測量信號的頻率,進行溫度校正和相應的線性化處理,并輸出電壓信號和頻率信號。
外圍電路主要完成以下工作:
1. 電壓轉換,將供給溫度傳感器的10V電壓轉換為5V的電壓,作為單片機和電位計的電源;
2. 環境溫度測量;
3. 形成振蕩回路;
4. 實現雙回路保護,提高[FS:PAGE]產品的可靠性。傳感器第二部分電路的作用是實現通過改變角度來改變角度來改變線圈的電感系數。
硬件部分所使用的器件見表1。

表1:基于CY8C29466設計方案所用的元件
軟件設計
設計過程中用到的模塊主要有:ADCINC12、CMPPRG、DAC8、INSAMP、PGA、PWM16_1、PWM16_2、Timer16、Counter24。它們的位置和相互之間的連接方式如圖2所示。其中,模數轉換模塊ADCINC12用來將溫度傳感器采集到的模擬信號轉化數字信號,用于傳感器輸出量的修正;電壓比較器模塊CMPPRG、反向放大器模塊INSAMP和增益可編程放大器模塊PGA三個模塊與外圍的若干電子元件一起構成三點式正弦波振蕩回路;數模轉換模塊DAC8用于產生傳感器的電壓輸出信號;脈寬調制模塊PWM16_1用于數模轉換模塊DAC8的時鐘源,提高了數模轉換的精度;脈寬調制模塊PWM16_2用于產生傳感器的頻率輸出;定時器模塊Timer16和計數器模塊Counter24用于計算輸入信號的頻率。


圖2:用戶模塊圖
程序的執行過程如圖3所示。

圖3:程序執行流程圖
設計方案比較
采用PSoC與采用傳統的單片機相比具有以下三個優點:
1. 使用的元器件的數目減少。由于PSoC中含有模擬模塊,可以進行模擬信號的輸出,所以在設計的過程中可以節省很多模擬器件。表2為采用某傳統的單片機進行設計時,在缺少PWM信號輸出功能的情況下,所用的器件。通過比較表1和表2,可以清楚的看到這一點。
2. 成本大大降低。使用的元器件數目減少,而PSoC芯片的市場價與其他傳統的單片機相比,一般都偏低,所以成本降低。粗略估計成本可以降低20% ~30%。
3. 縮短設計周期。這一點主要表現在兩個方面:在硬件設計方面,由于使用的元件數目減少,電路簡單,減少設計所用時間;在軟件設計方面,高效的開發工具為用戶提供了高效的開發手段,與傳統的單片機相比,PSoC只需很少的代碼,而傳統的單片機則要用戶編寫大量的代碼。
產品的特點和應用前景
本產品與市場上現有的同類產品相比較具有如下幾個特點:
 [FS:PAGE]; 1. 非接觸式。
在工作過程中,相對運動的兩個部件之間沒有接觸,排除了因磨損導致測量不準確的可能性,延長了產品的壽命。
2. 溫度校正。
本產品具有溫度校正能力,環境溫度在一定范圍內的改變不會影響測量的準確性。
3. 線性化。
本產品輸出的兩路信號:電壓值,PWM波的頻率均與角度成線性關系。
4. 兩路輸出信號。
本產品具有兩路輸出信號,使用者可以根據自己的需要選擇其中的一路輸出信號,或者同時使用兩路信號。
5. 雙回路保護。
本產品具有一個雙回路保護系統,當其中的一個回路失效時,另一個回路會馬上起作用,保證正常運行,提高了產品的可靠性。
6. 體積小,價格低。
以上特點決定了本產品將會具有很好的應用前景。它具有較高的可靠性,較長的壽命,與被測量成線性關系的準確地輸出,較小的體積,低廉的價格都完全符合使用者的要求,是廣大的汽車生產廠家的首選產品。除用于汽車油門踏板的角度測量外,該產品還可以用于其它場合的角度測量,如電動自行車的精確控制中。
相關文章
傳感器如何監控橋梁以保證安全
橋梁對我們的基礎設施至關重要,需要定期維護,以確保汽車、卡車、軌道和經常通過橋梁的人的安全。許多橋梁已經使用了50年甚至更久,每天都有市民在結構缺陷的橋梁上行走。IEEE資深成員ClintAndrews說:“橋梁的結構健康監測...
智慧城市建設步伐加快 傳感器產業機遇與挑戰并存
智慧城市的出現是基于2008年IBM提出的“智慧地球”理念,隨后引發了智慧城市建設的熱潮。2012年,我國就已經開始了智慧城市的試點工作。2014年時政府正式印發了《關于促進智慧城市健康發展的指導意見》,計劃到2020年建...
超聲波傳感器的應用分析
眼下,國外許多汽車制造商和技術公司都在測試具備完全自動駕駛功能的自動駕駛汽車。日產、通用汽車甚至表示,到2020年,他們將在道路上試運行自動駕駛汽車,這兩種自動駕駛汽車以及結合了駕駛員輔助技術的人類駕駛汽車,都要廣泛使用傳...
工業物聯網傳感器如何改善制造業
2018年第四季度,制造業為美國經濟貢獻了2.38萬億美元,雇傭了1200多萬工人,占當年美國國內生產總值的11.4%。盡管所有媒體都對制造業地位的下降感到擔憂,但由于關鍵技術的進步,該行業近年來蓬勃發展。而工業物聯網(I...
2026年全球農業傳感器市場將達到25.6億美元
2018年全球農業傳感器市場價值為12.3億美元,預計到2026年將達到25.6億美元,復合年增長率為11.04%。傳感技術用于精密農業,可提供有助于農民監測和優化農作物以及適應不斷變化的環境因素的數據。這提供了可操作的數...