一種應用于車載的無線射頻識別系統
本系統是基于數字通信原理、利用集成單芯片窄帶超高頻收發器構建的無線識別系統。闡述了該無線射頻識別系統基本工作原理和硬件設計思路,并給出了程序設計方案的流程圖。從低功耗、高效識別和實用角度設計適用于車載的射頻識別標簽。測試結果表明,本系統在復雜路面狀況(繁忙路面)的條件下可實現300m范圍內有效識別,視距條件下可達到500 m范圍有效識別。
物聯網是指通過各種信息傳感設備,如傳感器、射頻識別(RFID)技術、全球定位系統、紅外感應器、激光掃描器、氣體感應器等各種裝置與技術,實時采集任何需要監控、連接、互動的物體或過程,采集其聲、光、電、生物、位置等各種需要的信息,與互聯網結合形成的一個巨大網絡。其目的是實現物與物、物與人,所有的物品與網絡的連接,方便識別、管理和控制。本項目針對車載物聯網中的數據采集、傳輸與應用的關鍵問題,展開研究,設計基于短距離無線射頻通信技術的新一代車載射頻識別系統。系統由短距離無線通訊車載單元(On-Board Unit,OBU)和基站系統(Base Station System,BSS)組成一個點對多點無線識別系統(Wireless identification system,WIS),可用于在基站覆蓋范圍內車輛識別和智能導引。
1 系統硬件設計
系統硬件主要由控制部分、射頻部分和外部擴展應用部分組成。以低功耗MCU為控制單元,集成單芯片窄帶超高頻收發器,內置優化設計天線.采用先進的光伏電池供電,實理高集成度短距離無線識別射頻終端(OBU)。本終端體積小、功耗低、適甩范圍廣,并且建立開放的協議和標準接口,便于與已有系統或其他系統對接。
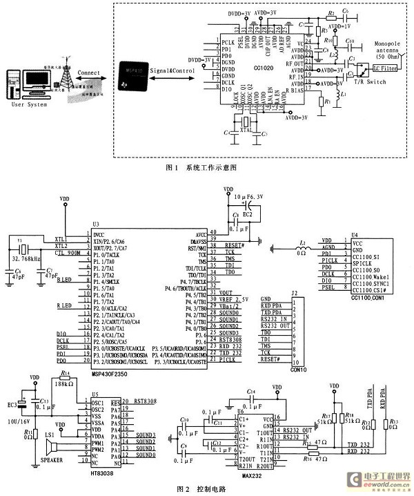
系統工作示意如圖1所示。

1.1 控制電路設計
控制單元采用業界低功耗應用比較成熟的TI公司生產的MSP430系列,該系列是TI1996年開始推向市場的一種16位超低功耗的混合信號處理器(Mired Signal Proessor),其針對實際應用需求把許多模擬電路、數字電路和微處理器集成在一個芯片上,提供“單片”解決方案。在WIS系統中OBU和BSS中工作原理相同,所以重點介紹OBU部分設計,其控制部分原理圖如圖2所示。
MSP430F2274的輸入電壓為1.8~3.6V電壓.在1 MHz的時鐘條件下運[FS:PAGE]行時,芯片的耗電在200~400μA左右,時鐘關斷模式的最低功耗只有0.1μA。由于系統運行時打開的功能模塊不同,采用了待機、運行和休眠3種不同的工作模式,有效地降低了系統功耗。
系統使用兩種時鐘系統;基本時鐘系統和數字振蕩器時鐘系統(Digitally Controlled Oscillator,DCO),使用一個外部晶體振蕩器(32 768Hz)。在上電復位后,首先由DCOCLK啟動MCU(Microprogrammed Control Unit微程序控制器),以保證程序從正確的位置開始執行,保證晶體振蕩器有足夠的起振及穩定時間。然后軟件可設量適當的寄存器的控制位來確定最后的系統時鐘頻率。如果晶體振蕩器在用作MCU時鐘MCLK時發生故障,DCO會自動啟動,以保證系統正常工作;如果程序跑飛,可用看門狗將其復位。本設計使用到了片上外圍模塊看門狗(WDT)、模擬比較器A、定時器A(Timer_A)、定時器B(Timer_B)、串口USART、硬件乘法器、10位/12位ADC、SPI總線等。
1.2 射頻電路
射頻部分采用TI公司CC1020作為射頻控制單元,該芯片為業界首例真正的單芯片窄帶超高頻收發器,有FSK/GFSK/OOK 3種調制方式,最小通道間隔為50 kHz,可滿足多通道窄帶應用(402~470 MHz以及804~94O MHz頻帶)的嚴格要求,多個工作頻段可自由切換,工作電壓2.3~3.6 V,非常適合集成擴展到移動設備作為無線數傳或電子標簽使用。該芯片遵從EN300 220.ARIB STD-T67以及FCC CFR47 part15規范。
選擇載頻頻率430 MHz為工作頻段,此頻段為ISM頻段,符合國家無線管理委員會標準,無需申請頻點。采用FSK的調制方式,擁有較高的抗干擾能力和低誤碼率,采用前向糾錯信道編碼技術,提高了數據抗突發干擾和隨機干擾的能力,在信道誤碼率為10-2時,可得到實際誤碼率10-5~10-6。在開闊地視距條件、波特率為2A Kbs、大吸盤天線(長度2m,增益7.8 dB距離地面高度2m)時數據傳輸距離可達800 m。該RF芯片標準配置可提供8個信道能夠滿足多種通信組合方式。由于采用窄帶通訊技術,增強了通訊穩定性和抗干擾性。射頻部分原理圖如圖3所示。

1.3 系統供電
系統供電部分由光伏電池作為日常工作供電和鋰亞電池作為備用電池相結合供電方式。在光照較好的條件下通過太陽能給蓄能電池充電,每天保證一定的光照[FS:PAGE]時間可基本滿足OBU日常工作需要,極大地延長了備用電池的使用壽命,同時延長了OBU的工作壽命。適合經常在室外運行的車輛使用,可采集到充足的陽光供光伏電池工作。
1.4 系統開發環境
系統開發環境如下:1)IAR Embedded Workbench for MSP430編譯器;2)PADS PCB Design Solutions 2007比思電路板設計工具。
2 系統程序設計
程序采用模塊化設計,用C語言編寫。主要由4部分在組成:主程序模塊、通信程序模塊、外圍電路處理模塊、中斷和存儲模塊。主程序主要完成控制單元的初始化、各種參數的配置及各外圍模塊配置和初始化等;通信程序模塊主要處理對RF芯片的配置以及433 MHz收發處理;外圍電路處理模塊主要對系統外部LED指示、電壓檢測、聲音提示以按鍵及其他處理;中斷和存儲模塊主要處理系統中斷和記錄存儲。主程序流程如圖4所示。

3 RF通信流程
OBU與BSS通信流程分為3步:建立鏈接、信息交換和釋放鏈接,如圖5所示。

第1步:建立連接OBU所在位置的坐標信息及其ID碼通過預置參數存儲在控制單元MCU的Flash中,并被長期保存。BSS(基站系統)利用下行鏈路向OBU循環廣播發送定位(基站識別幀控制)信息,確定幀結構同步信息和數據鏈路控制等信息,進入有效通信區域內的OBU被激活后即請求建立連接和進行有效性確認并發送響應信息給對應的OBU,否則不響應;
第2步:信息交換本設計采用探測射頻信號強度大小的方法來確定OBU是否進入服務區,經探測信號強度大于最大信號的1/2時,收發雙方實現無線握手,此時認為OBU已經進入服務區。在此階段中,所有幀必須帶有OBU的私有鏈路標識,并實施差錯控制。對于OBU上下行的判斷可以通過ID號來判斷是否屬于同一個系統,不是同一個系統的ID號的OBU從記錄中自動刪除。OBU上報信息時采用跳頻機制,隨機選擇所處服務區的某一固定信道進行握手通信,防止發生信道堵塞。
第3步:釋放連接同樣采用探測信號強度小于最大強度的1/2時,認為車子已經離站。RSU與OBU完成所有應用后,刪除和鏈路標識,發出專用通信鏈路釋放指令,由連接釋放計時器根據應用服務確認釋放本次[FS:PAGE]連接。
4 OBU與BSS通訊流程的開發
通訊協議依據開放系統互聯體系結構七層協議模型建立了三層的簡單協議結構,即物理層、數據鏈路層和應用層。
1)物理層 物理層主要是通信信遭標準,由于目前國際上尚未形成關于433 MHz短距離無線通訊統一的標準,各種標準定義的物理層也不盡相同,如表1所示。圖6為曼徹斯特編碼方式。


2)數據鏈路層 數據鏈路層控制著OBU與BSS之間的信息交換過程,對數據鏈路連接的建立和釋放,數據幀的定義與幀同步,幀數據傳送的控制、容錯控制、數據鏈路層控制和鏈路連接的參數交換等作了規定。數據傳輸以數據幀傳輸進行,如圖7所示。
3)應用層 應用層制定標準的用戶功能程序,定義各路應用之間通信消息的格式,提供開放的消息接口,供其他數據庫或應用程序調用。
5 結束語
本文所設計的射頻識別系統采用TI低功耗系列的MSP430微控制器,是TI公司專門針對電池供電設備低功耗所設計。射頻芯片也為TI公司CC1020,集成度高,可實現體積小、功耗低、易于安裝,適用于建設車輛免停車監測與監控系統。測試結果顯示在復雜路面狀況(繁忙路面)可實現300 m范圍內有效果識別,視距情況可達到500 m范圍內識別。
相關文章
英特爾進軍車聯網 車載解決方案上市
英特爾公司3日宣布,由一系列軟硬件產品組成的英特爾車載解決方案全面上市,同時宣布的還有多項投資以及多個前瞻技術研究項目,以全面加速車載系統從提供信息、輔助安全駕駛到自動駕駛的發展進程。
車聯網破局在即 車載系統趨向統一
4G技術的成熟成為了車聯網發展的重要推動力。目前,華為已經發布了車聯網解決方案,芯片產商英偉達、英特爾、高通都已全面介入車聯網解決方案。
華為英特爾等布局車聯網 車載系統統一是關鍵
隨互聯網的不斷發展,4G技術已逐漸成熟。這也推動了車聯網的發展,據悉華為現已開始發布了車聯網的解決方案,英偉達、英特爾、高通等芯片產商已介入車聯網的解決方案中。